“一切准备就绪,开始作业!"4月12日,云南电网公司第1次采用“载重无人机+机器人"联合作业的方式,在丽江地区海拔3200米的500千伏线路上,成功完成带电修补架空地线散股任务,及时消除2项紧急重大缺陷,保障了西电东送重要线路安全稳定运行。
一声令下,无人机巡检员操控FC30大载重无人机将地线修补机器人远程运输至700米外的高空,在小型无人机“第三视野"的配合下,精准地将机器人投送至架空地线上,锁定地线散股位置,远程操控机器人沿地线平稳移动至缺陷点位,自动完成散股导线处理工作,仅40分钟就消除了地线散股缺陷,保障西电东送重要线路安全稳定运行。
这次作业是丽江供电局和输电分公司在云南电网公司生技部的指导下,与输电分公司带电作业专家共同组成消缺团队,将“无人机+"技术在生产实际场景深化应用。
“这次作业更安全、更高效、更简洁!以前修补类似线路,不仅需要背着沉重的装备,而且还要爬塔、爬电线,费时费力。"丽江供电局输电管理所输电智能运维班班长李琦介绍说,与以往缺陷处理方式相比,此次作业全程无需人员接触高压设备,安全性能显著提升。
“传统方式下,需要10多人共同作业,还需要近8个小时才能完成修补。"输电分公司带电作业中心带电作业班班长马大鹏介绍说。接下来,他们将依托智能装备,积极探索“无人机+"等智能检修作业新工法,加速输电专业数字化转型进程,全面提升输电线路隐患处置效率和提高供电可靠性。

一、概述(LYFA-3000电力仪器现货市场“互感器特性综合试验台"测量工作量小)
极速多台位互感器检定装置是我公司为了适应现代互感器校验的快速、准确的特点而开发的新一代互感器检定装置。该装置由LYFA-3000互感器校验仪、电流电压负载箱、控制柜、电流互感器专用测试台等几个部分组成。在保持原技术特点的前提下,在电流互感器的快速测量、测试点的快速定位、以及负荷箱、各种变比的互感器覆盖等方面有了很大的提高。
二、主要特点(LYFA-3000电力仪器现货市场“互感器特性综合试验台"测量工作量小)
1、该装置细调节采用了程控源技术,使测试点的定位更加快速、准确。
2、该装置在多只电流互感器测量速度方面有了质的提高,在3-5分钟的时间里可可测量十二只任何变比的电流互感器。
3、该装置配置了5A的标准电流互感器,电流负荷箱配置了5A负载值2.5VA-60VA,电压负载箱配置了100V负载值从1.25VA-158.75VA基本上可满足用户的要求。负载箱在测量时可进行自动切换。
4、该装置可进行互感器的规程和非规程的测量,测量时用户可指定对任何百分点的测量。
三、主要技术指标(LYFA-3000电力仪器现货市场“互感器特性综合试验台"测量工作量小)
1、装置使用的环境条件
温 度:5°C~40°C 相对湿度:<80%(25°C)
海拨高度:<2500m 电源频率:50Hz ±0.5Hz
电源电压:220V±5V
2、HGQA-C互感器校验仪相关参数
⑴.测量范围:
同相分量(%):0.0001~200.0 分辨率:0.0001
正交分量(分):0.001~999.9 分辨率:0.001
阻抗(W):0.0001~60.0 分辨率:0.0001
导纳(ms):0.0001~60.0 分辨率:0.0001
⑵.基本偏差:
同相分量: DX=±(X×2%+Y×2%±2个字)
正交分量: DY=±(Y×2%+X×2%±5个字)
“X"、“Y"——仪器的显示值
“5个字"——仪器的量化偏差
百 分 表: 1级
⑶.工作范围:
电流: (1%-149%)In (In=5A)(5%-149%)In (In=1A)
⑷.工作负荷:
电流: To对Tx<0.12W cosj=1
⑸.极性错误指示
额定工作电流的5%以上,误差超过180%时,应有极性指示。
注意:如果大于额定工作电流的10%以上,仍未出现应有的极性指示,说明软件有故障,请不要再增加电流,以免烧坏仪器.
⑹.变比错误指示
额定工作电流的5%以上,误差超过30%而小于180%时,应有变比错误指示。
⑺.绝缘和耐压试验及说明:
端子Tx和(
)端子相通
K和D端子均与(
)端子不通
电源插座对外壳能承受1.5KV,1min耐压
⑻.外型尺寸:(L 445×W 330×H 140)mm3
⑼.重量:10kg
四、一体化互感器检定装置的控制柜(LYFA-3000电力仪器现货市场“互感器特性综合试验台"测量工作量小)
一体化互感器检定装置的控制柜部分受控于HGQA-C互感器校验仪,它根据指令输出一定的电压,使互感器到达预定的工作电流或工作电压。
1、接 线

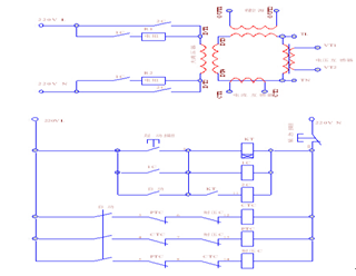
该图是控制柜后门板上的接线端子图。为电流互感器接线的端子。
将电流互感器接好后,只须在校验仪的测量对象菜单中正确选择测量对象即可完成相应的测量。
注意:台体自身不具备校验互感器的功能,也不具备调节调压器输出的功能,只有在与校验仪联机时才可使用。
2、控制柜控制电路

如上图:控制柜通电后按下启动按钮的蓝色指示灯亮,表明控制柜已上电,通过校验仪选择测量对象,使相应的接触器吸合,使相应的输出端有电压输出,当出现异常情况时,可将停止按钮按下使台体断开输出。
10kVA调压器为主要输出源,做粗调调压;功率源为细调调压。比如升二次电流为5A的电流互感器的20%,首先大调压器调节16%,功率源调节余下的4%。使用此方法的优点是调压细度高、定位准确、快捷、方便使用。

近期,在云南省红河哈尼族彝族自治州开远市红河电厂扩建项目220千伏吉安变电站工作现场,一个人形机器人先对隔离开关机构箱接地螺栓进行紧固,随后又通过高空作业平台车,完成了引流线间隔棒安装作业。
据中国南方电网有限责任公司云南电网公司介绍,这是该公司第1次将人形机器人应用于基建施工作业中。此外,公司还在红河州弥勒市新建220千伏圭可线项目工地上投入实践,人形机器人可操作机械设备,配合现场工作人员开展导线展放、管线压接等作业。
据介绍,电网建设施工作业中面对高空、山地、深井等多种工作场景,作业风险高且人工重复性劳动较多,云南电网公司积极开展人形机器人的应用探索,力争满足不同电网建设场景的应用需求。
下一步,云南电网公司还将推动“机器人+"创新产品在更多电网场景内应用,推动科技创新和产业创新融合,助力新型电力系统建设。
本公司是专业生产“互感器特性综合试验台"高压电力设备的厂家,本产品为客户解决了各种在变电站等实验中的问题。
本产品携带方便、测量快速,抗干扰能力强,便于现场使用。在使用本仪器之前请仔细阅读本产品的使用说明,如果在使用过程中遇到任何问题可与我们直接联系!(上海来扬电气转载其他网站内容,出于传递更多信息而非盈利之目的,同时并不代表赞成其观点或证实其描述,内容仅供参考。版权归原作者所有,若有侵权,请联系我们删除。)